
Tie rod end / tie rod end - uniball GAXSW 14x1.5 FLURO - M14x1.5 (male)
Tie rod end / tie rod end - uniball GAXSW 14x1.5 FLURO - M14x1.5 (male)
- Tie rod end / tie rod end - uniball GAXSW 14x1.5 FLURO - M14x1.5 (male)
Subscription products in your shopping cart
Set one delivery frequency for all subscription products in your cart every:
Subscription products in your shopping cart
GAXSW 14x1.5 FLURO Tie Rod End - M14x1.5
GAXSW Series - Tie rod end with external thread made of heat-treated steel, galvanized, with PTFE insert (maintenance-free).
For use under high dynamic tensile/compressive loads. Dimensional series K - maintenance-free.
Sliding pair - chrome-plated steel/PTFE
Housing: heat-treated steel [DE / FR / IT 42CrMo4 SE 2244, GB 708M40, Aisi 4140], forged
Bearing liner: free-cutting steel [DE 9SMnPb28K, FR S250Pb, IT CF9SMnPb28, SE 1912, GB 230M07, US 12L 13] with bonded PTFE layer.
Inner ring: bearing steel [ DE FR IT 100Cr6, SE 2258, GB 2S135, US Aisi 52100], hardened, ground, polished

Specification
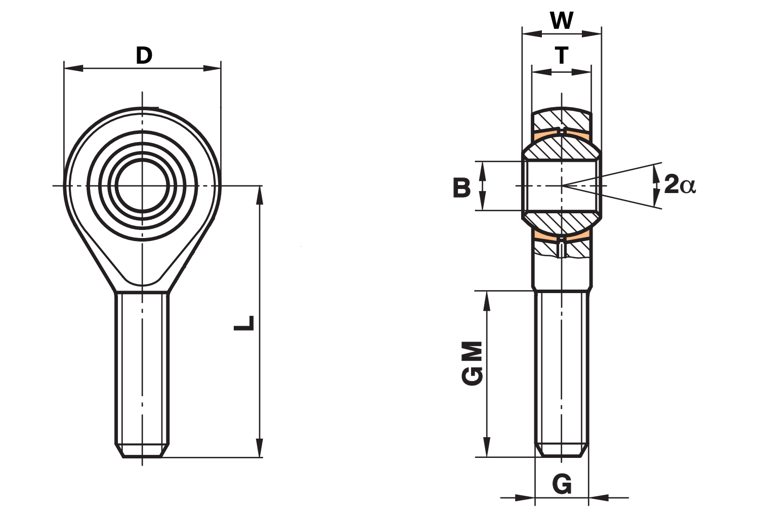
D - external diameter of the rod head [mm /inch]
36 / 1.42"
W - width of the inner ring [mm /inch]
19 / 0.75"
T - width of the outer ring [mm /inch]
13.5 / 0.53"
L- Lenght [mm /inch]
60 / 2.36"
GM - Thread length [mm /inch]
38 / 1.50"
Deflection angle
32°
Maximum static load [kN / lbs]
57.0 / 12814.11
Maximum dynamic load [kN / lbs]
42.0 / 9441.98
Weight
129 g / 0.284 lbs
Ask for this product
Write your opinion