Embout de bielle / embout de bielle - uniball GAXSW 35 FLURO - M36x2 (mâle)
- Embout de bielle / embout de bielle - uniball GAXSW 35 FLURO - M36x2 (mâle)
Produkty subskrypcyjne w twoim koszyku
Ustaw jedną częstotliwość dostaw dla wszystkich produktów subskrypcyjnych z twojego koszyka co:
Produkty subskrypcyjne w twoim koszyku
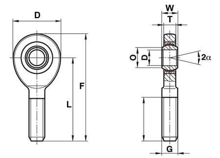
Embout de biellette GAXSW 35 FLURO - M36x2
Série GAXSW - Embout de biellette avec filetage externe en acier traité thermiquement, galvanisé, avec insert en PTFE (sans entretien).
Pour une utilisation sous des charges dynamiques élevées en traction/compression. Série dimensionnelle K - sans entretien.
Paire de glissement - acier chromé/PTFE
Boîtier : acier traité thermiquement [DE / FR / IT 42CrMo4 SE 2244, GB 708M40, Aisi 4140], forgé
Doublure du roulement : acier de décolletage [DE 9SMnPb28K, FR S250Pb, IT CF9SMnPb28, SE 1912, GB 230M07, US 12L 13] avec couche de PTFE collée.
Bague intérieure : acier de roulement [ DE FR IT 100Cr6, SE 2258, GB 2S135, US Aisi 52100], trempé, rectifié, poli














