Testa a Snodo - Uniball GAXSW 35 FLURO - M36x2 (Maschio)
Testa a Snodo - Uniball GAXSW 35 FLURO - M36x2 (Maschio)
- Testa a Snodo GAXSW 35 FLURO - M36x2 (Filetto Maschio Destro)
:
Testa a Snodo GAXSW 35 FLURO - M36x2
Serie GAXSW - Testa a snodo con filettatura esterna in acciaio temprato, zincato, con inserto in PTFE (esente da manutenzione).
Per impiego sotto elevati carichi dinamici di trazione/compressione. Serie dimensionale K - esente da manutenzione.
Coppia di scorrimento - acciaio cromato/PTFE
Corpo: acciaio trattato termicamente [DE / FR / IT 42CrMo4 SE 2244, GB 708M40, Aisi 4140], forgiato
Rivestimento del cuscinetto: acciaio automatico [DE 9SMnPb28K, FR S250Pb, IT CF9SMnPb28, SE 1912, GB 230M07, US 12L 13] con strato di PTFE incollato.
Anello interno: acciaio per cuscinetti [ DE FR IT 100Cr6, SE 2258, GB 2S135, US Aisi 52100], temprato, rettificato e lucidato

Marchio
Simbolo
GAXSW 35
Tipo
Fluro GAXSW - Series
Filettatura
M36x2
Tipo di Filettatura
Destra Maschio
Specifiche
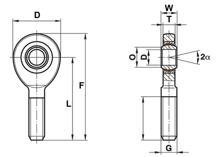
D - Diametro esterno della testa della rotula [mm /inch]
80 / 3.15"
W - Larghezza interna dell'anello [mm /inch]
43 / 1.69"
T - Larghezza esterna dell'anello [mm /inch]
28 / 1.10"
L- Lunghezza [mm /inch]
125 / 4.92"
GM - Lunghezza filettatura [mm /inch]
73 / 2.87"
Angolo di rotazione
38°
Carico statico massimo [kN / lbs]
230.0 / 51706.06
Carico dinamico massimo [kN / lbs]
205.0 / 46085.83
Peso
1600 g / 3.53 lbs
Chiedi del prodotto
Scrivi la tua recensione













