Ponta de tirante / cabeça de articulação – uniball GALRS 22 FLURO – M22x1.5 rosca externa esquerda (macho)
Ponta de tirante / cabeça de articulação – uniball GALRS 22 FLURO – M22x1.5 rosca externa esquerda (macho)
- Ponta de tirante / cabeça de articulação – uniball GALRS 22 FLURO – M22x1.5 rosca externa esquerda (macho)
Produkty subskrypcyjne w twoim koszyku
Ustaw jedną częstotliwość dostaw dla wszystkich produktów subskrypcyjnych z twojego koszyka co:
Produkty subskrypcyjne w twoim koszyku
Terminal de Extremidade GALRS 22 FLURO - M22x1.5
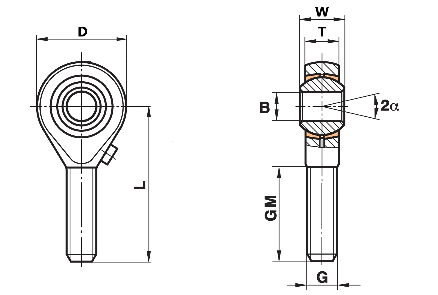
Série GARS - Terminal de extremidade com rosca externa em aço inoxidável, lubrificado através de um alojamento esférico côncavo. Para uso em áreas sujeitas à corrosão. Série dimensional K - inox.
Par de fricção - aço cromado/aço

Habitação: aço inoxidável 1.4057, forjado, polido. Tamanho 40 em aço inoxidável 1.4057, usinado
Casquilho de rolamento: bronze especial CuSn8
Anel interno: aço para rolamentos: [ DE FR IT 100Cr6, SE 2258, GB 2S135, US Aisi 52100], endurecido, retificado, polido, revestido a cromo duro nas superfícies deslizantes

Especificações
D - Diâmetro externo da cabeça da haste [mm /inch]
54 / 19,69'
W - Largura do anel interno [mm /inch]
28 / 1.10"
T - Largura do anel externo [mm /inch]
20 / 0.79"
L- Comprimento [mm /inch]
84 / 3.31"
GM - Comprimento da rosca [mm /inch]
51 / 2.01"
Ângulo de oscilação
30°
Carga estática máxima [kN / lbs]
100 / 22480.89
Carga dinâmica máxima [kN / lbs]
38.0 / 8542.74
Peso
443 g / 0,98 lbs
Fazer uma pergunta
Escreva a sua opinião



