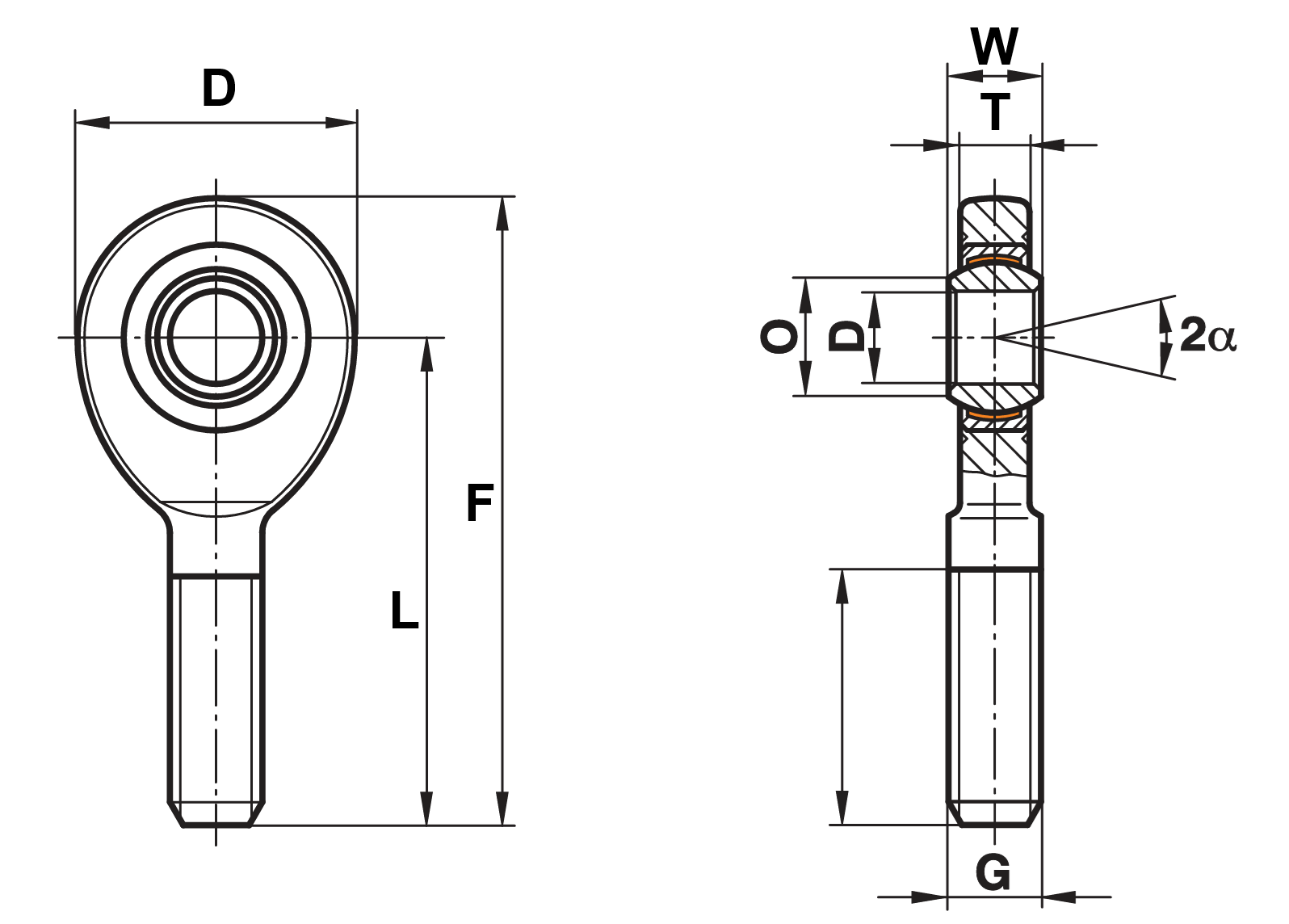
Cabeça de haste / cabeça de ligação – uniball EA 40 D-2RS FLURO – M39x3 rosca externa (macho) à direita.
- Série EA – cabeça de haste, série dimensional E com rosca externa, em aço de usinagem automática ou aço temperável, zincada, com rolamento esférico isento de manutenção.
Produkty subskrypcyjne w twoim koszyku
Ustaw jedną częstotliwość dostaw dla wszystkich produktów subskrypcyjnych z twojego koszyka co:
Produkty subskrypcyjne w twoim koszyku
Ponta de tirante FLURO EA D-2RS
Série EA – ponta de tirante, série dimensional E com rosca externa, feita de aço de fácil usinagem ou aço temperado, zincada, com rolamento esférico isento de manutenção.
Para uso em aplicações com cargas elevadas unilaterais e largura de instalação limitada.
Possui vedação de contacto de borracha em ambos os lados (2RS), que protege o interior do rolamento contra poeira, água e sujeira – ideal para ambientes operacionais severos
Série dimensional E – isento de manutenção.
Superfície de contato deslizante: aço / PTFE

Carcaça: até o tamanho 10 em aço de fácil usinagem [DE 9SMnPb28K, FR S250Pb, IT CF9SMnPb28, SE 1912, UK 230M07, USA 12L13], torneado
a partir do tamanho 12 em aço temperado [DE C45, FR 1C45, IT C45, SE 1650, UK 080M46, USA Aisi 1045], forjado
Rolamento – rolamento isento de manutenção em aço/PTFE GE...EC
a partir do tamanho 20 disponível com vedação em ambos os lados (-2RS)
a partir do tamanho 35 disponível apenas com vedação em ambos os lados (-2RS)

