Główka cięgła / główka cięgna - uniball GAXSW 35 FLURO - M36x2 (męski)
Główka cięgła / główka cięgna - uniball GAXSW 35 FLURO - M36x2 (męski)
- Główka cięgła / główka cięgna - uniball GAXSW 35 FLURO - M36x2 (męski)
Produkty subskrypcyjne w twoim koszyku
Ustaw jedną częstotliwość dostaw dla wszystkich produktów subskrypcyjnych z twojego koszyka co:
Produkty subskrypcyjne w twoim koszyku
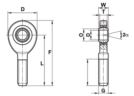
Główka cięgła GAXSW 35 FLURO - M36x2
Seria GAXSW - Główka cięgła z gwintem zewnętrznym ze stali do ulepszania cieplnego, ocynkowana, z wkładką PTFE (bezobsługowa).
Do stosowania przy dużym dynamicznym obciążeniu rozciągająco / ściskającym. Seria wymiarowa K - bezobsługowe.
Para cierna - stal chromowana/PTFE
Oprawa: stal do ulepszenia cieplnego [DE / FR / IT 42CrMo4 SE 2244, GB 708M40, Aisi 4140], kuta
Panewka łożyska: stal automatowa [DE 9SMnPb28K, FR S250Pb, IT CF9SMnPb28, SE 1912, GB 230M07, US 12L 13] z wklejoną warstwą PTFE.
Pierścień wewnętrzny: stal łożyskowa [ DE FR IT 100Cr6, SE 2258, GB 2S135, US Aisi 52100], hartowany, szlifowany, polerowany

Marka
Symbol
GAXSW 35
Rodzaj Typ
Fluro GAXSW - Series
Gwint
M36x2
Rodzaj Gwintu
Prawy Zewnętrzny (męski)
Specyfikacja
D - średnica zewnętrzna główki cięgła [mm /inch]
80 / 3.15"
W - szerokość pierścienia wewnętrznego [mm /inch]
43 / 1.69"
T - szerokość pierścienia zewnętrznego [mm /inch]
28 / 1.10"
L- długość [mm /inch]
125 / 4.92"
GM - Długość gwintu [mm /inch]
73 / 2.87"
Kąt wychylenia
38°
Maksymalne obciążenie statyczne [kN / lbf]
230.0 / 51706.06
Maksymalne obciążenie dynamiczne [kN / lbf]
205.0 / 46085.83
Waga
1600 g / 3.53 lbs
Zapytaj o produkt
Napisz swoją opinię













