Stage 1 BMW M62 - manual 6 velocidades BMW M57n GS6-53DZ HGD JGA - 240mm / 9.45"
- Un adaptador que permite la conexión (swap / conversión) del motor BMW M62 V8 con la caja de cambios manual de 6 velocidades ZF GS6-53DZ (ZF Friedrichshafen) proveniente del BMW Serie 5 E60 E61.
Produkty subskrypcyjne w twoim koszyku
Ustaw jedną częstotliwość dostaw dla wszystkich produktów subskrypcyjnych z twojego koszyka co:
Produkty subskrypcyjne w twoim koszyku

Adaptador / Kit de conversión / Kit de embrague PMC Motorsport BMW M62 - BMW E60 E61 530D M57n ZF GS6-53DZ 6 velocidades HGD JGA - 240mm / 9.45" + Sachs XTend 3000 951 952 máx. 650Nm / 479,25lb⋅ft
Un adaptador que permite la conexión (swap / conversión) del motor BMW M62 V8 con la caja de cambios manual de 6 velocidades ZF GS6-53DZ (ZF Friedrichshafen) proveniente del BMW Serie 5 E60 E61. El kit incluye el embrague Sachs XTend 3000 951 952 con autoajustadores. El adaptador está dedicado al SWAP en vehículos de uso diario (Daily) y en el automovilismo amateur.
¿Quiere realizar un SWAP de BMW M60 M62 V8?
¿Está planeando realizar uno de los SWAPs más clásicos del BMW M62 V8 en su BMW (E30, E36, E46, E34, E39, E90, E91, E92, E60, E61, E81, E82, E87)? Nuestro adaptador es la solución ideal para usted. Reemplace la caja de cambios automática por una manual de BMW y obtenga nuevas posibilidades. Los adaptadores PMC Motorsport no solo brindan la posibilidad de cambiar las cajas de cambios en el BMW M62, sino que también son un soporte para la realización de SWAPs M62 en BMW y otros vehículos, como Nissan S13, S14, S15, PS13 o Mazda RX-7 / RX-8.
La base del volante de inercia y el adaptador de la caja de cambios están hechos de una aleación de aluminio ligera y duradera. El kit incluye tornillos de montaje del cigüeñal en clase 12.9 (ISO 21269) - par de apriete de 120Nm (se debe usar fijador de roscas para el montaje), tornillos para montar el plato de presión del embrague, un pasador de pivote de horquilla de embrague de acero personalizado y todos los tornillos necesarios para acoplar el motor a la caja de cambios.
Rueda Fónica / Corona del Cigüeñal
Una rueda que genera una señal (pulso) idéntica a la del volante de motor de fábrica BMW M62.
Adaptador de sensor de pulso de cigüeñal.
incluye un adaptador de sensor de pulso de cigüeñal que encaja en el adaptador de caja de cambios PMC.
sensores compatibles BMW OE 12 14 1 742 629 | 13 62 7 839 138

Manguito de centrado del volante de motor
El manguito garantiza un centrado ideal del volante de motor en el cigüeñal, además el kit incluye un manguito ajustado que realiza la misma función que BMW OE 11 21 1736881 (el manguito debe montarse en el orificio más grande del volante de motor)
Superficie de fricción reemplazable.
La superficie de fricción desgastada es fácilmente desmontable, y en nuestra oferta encontrará una nueva pieza de repuesto.

Cojinete piloto del eje de entrada
Su tarea es guiar correctamente el eje de la caja de cambios, reducir las vibraciones y garantizar un funcionamiento estable de todo el sistema de propulsión.
Cada volante de motor PMC Motorsport es inspeccionado y equilibrado antes del envío
| Motores compatibles : |
BMW M62 V8 (ECE LHD) BMW M62B35 173 kW (232 hp) 320 Nm (236 lb⋅ft) BMW M62TUB35 180 kW (241 hp) 345 Nm (254 lb⋅ft) BMW M62B44 210 kW (282 hp) 420 Nm (310 lb⋅ft) BMW M62TUB44 210 kW (282 hp) 440 Nm (325 lb⋅ft) BMW M62TUB46 255 kW (342 hp) 480 Nm (354 lb⋅ft) El adaptador es compatible con los motores BMW M62 versión (ECE) LHD – volante a la izquierda. En el caso de la versión RHD, se debe cortar el tapón ciego en el bloque del motor y utilizar un motor de arranque de la versión LHD. |
| Cajas de cambios manuales BMW compatibles (Diésel) :
|
ZF S6-53 GS6-53DZ 6-velocidades ZF S6-53 GS6-53DZ HGD (THGD) BMW M57n M57n2 E60 E61 (incluidas versiones LCI) 525D 530D ZF S6-53 GS6-53DZ JGA (TJGA) BMW M57n M57n2 E60 E61 (incluidas versiones LCI) 525D 530D xDrive ZF S6X53 GS6X53DZ HGE (THGE) BMW M57n M57n2 E60 E61 (incluidas versiones LCI) 525xd 530xd E53 X5 3.0d E83 X3 3.0d (incluidas versiones LCI) xDrive ZF S6X53 GS6X53DZ JGB (TJGB) BMW M57n M57n2 E60 E61 (incluidas versiones LCI) 525xd 530xd E53 X5 3.0d E83 X3 3.0d (incluidas versiones LCI) |
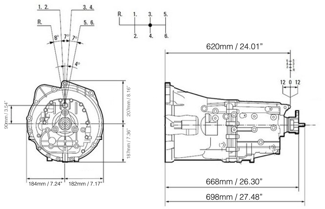
ZF Friedrichshafen S6-53DZ
La caja de cambios manual ZF Friedrichshafen GS6-53DZ de 6 velocidades (S6-53DZ), debido a su alta durabilidad (1000Nm+) y bajo precio, es una solución ideal para coches preparados para el automovilismo.
Tipo de estría macho : 32,5x35-26N

Relaciones de Transmisión ZF GS6-53DZ |
||||||
|---|---|---|---|---|---|---|
| 1 | 2 | 3 | 4 | 5 | 6 | R |
| 5.080 | 2.804 | 1.260 | 1.270 | 1.000 | 0.835 | 4.607 |
ZF GS6-53DZ HGD THGD |
![]() |
![]() |
ZF GS6-53DZ JGA TJGA |
![]() |
¿Por qué elegir cajas de cambios BMW?
Disponibilidad y precio. Millones de coches producidos y su disponibilidad mundial garantizan el acceso a piezas de repuesto. Las piezas, así como las cajas de cambios completas, están fácilmente disponibles en los centros de servicio autorizados (ASO) y en el mercado secundario.
Durabilidad y fiabilidad. Las cajas de cambios BMW ZF / Getrag se han utilizado con éxito durante muchos años tanto en el automovilismo aficionado como en el profesional. Pueden transferir un par muy alto (algunos modelos 1000Nm+), al mismo tiempo que garantizan una alta fiabilidad. Son ideales para SWAPs en proyectos de alta potencia destinados al uso diario.
Velocidad y comodidad. Al utilizar las cajas de cambios automáticas de nueva generación ZF 8HP o Getrag DCT DKG, obtenemos un tiempo de acción de cambio de marcha ultrarrápido (0,2 segundos).
¿Por qué elegir piezas y adaptadores PMC Motorsport?

Profesionalidad
Desde el diseño hasta la implementación, nuestras piezas recorren un largo camino. Cada componente para el que fabricamos piezas ha sido medido por nosotros con un brazo de medición y un escáner 3D. El prototipo se somete a numerosas pruebas para eliminar todos los problemas posibles en su uso. Para nuestra producción, utilizamos solo materiales certificados de proveedores verificados. Contamos con un moderno parque de máquinas CNC y empleados experimentados.
Coaxialidad perfecta.
Nuestros adaptadores garantizan un ajuste ideal entre el motor y la caja de cambios.

Hecho en Polonia
Toda nuestra producción y el departamento de diseño se encuentran en Polonia.
Ayuda en la selección y soporte post-venta.
El equipo de PMC Motorsport le ayudará a elegir el kit adecuado para usted. Y en caso de dudas durante el montaje, le proporcionará soporte técnico. Puede contactarnos a través de Facebook, Instagram o correo electrónico: office@pmcmotorsport.com
Compra de un solo componente
En nuestra oferta tenemos cada elemento de nuestro kit, que se puede comprar por separado. Si necesita una pieza de repuesto, escríbanos: office@pmcmotorsport.com
Envío rápido a todo el mundo.
Enviamos nuestros productos prácticamente a todos los países del mundo. Los envíos a los países de la Unión Europea (excluyendo islas) y Gran Bretaña se calculan automáticamente. Para los países que no están en la lista, después de realizar el pedido, nuestro equipo preparará un cálculo de envío y lo agregará al pedido. Recibirá un correo electrónico con el costo del pedido. !!! ATENCIÓN La cotización de envío enviada junto con el precio del producto no incluye cargos adicionales / aranceles aduaneros que puedan ocurrir dependiendo del país de envío. !!!
IVA 0%
IVA 0% para Clientes con un número de IVA europeo activo (opción para Clientes B2B fuera de Polonia). Después de una verificación positiva en el sistema VIES, modificamos el pedido eliminando el IVA calculado del pedido.

Experiencia
Miles de adaptadores producidos y clientes satisfechos en todo el mundo. Los adaptadores PMC Motorsport se utilizan tanto en coches de uso diario (Daily) como en proyectos profesionales destinados al automovilismo de competición.
Calidad confirmada por certificado
Desde el principio, nos centramos en la calidad de las piezas que producimos. El componente es inspeccionado después de cada etapa de producción. Cada subconjunto fabricado por nosotros está grabado con un número de serie de producción. Confirmamos la calidad con el certificado ISO PN-EN ISO 9001:2015.
Instrucciones de montaje del adaptador PMC Motorsport BMW M62 - GS6-53DZ de 6 velocidades
!!! Las piezas PMC Motorsport están destinadas al automovilismo y al uso en pistas de carreras. Para el montaje por profesionales utilizando herramientas adecuadas en talleres adaptados para este propósito !!!
El volante de motor fue fabricado de aluminio y hierro fundido y es totalmente reciclable.
Requiere el uso de un adaptador de caja de cambios PMC (el adaptador solo es compatible con la versión ECE / LHD) y un volante de motor de la versión BMW M60 o M62 con caja de cambios automática (no usar BMW 24 40 1421305) y un sensor de posición del cigüeñal BMW M62 - estos elementos no están incluidos en el kit. El motor de arranque sigue siendo BMW OE.




BMW V8 M62
BMW M62B35
- 1996–1998 BMW E39 535i
- 1996–1998 BMW E38 735i/735iL
BMW M62TUB35
- 1999–2001 BMW E38 735i/735iL
- 1998–2003 BMW E39 535i
BMW M62B44
- 1996–1998 BMW E39 540i
- 1996–1998 BMW E38 740i/740iL
- 1997–1999 BMW E31 840Ci
BMW M62TUB44
- 1998–2003 BMW E39 540i
- 1999–2001 BMW E38 740i/740iL
- 1999–2003 BMW X5 (E53) X5 4.4i
- 2000–2004 Morgan Aero 8
- 2002–2005 Range Rover
BMW M62TUB46
- 1999–2001 Alpina B10 V8
- 2000–2004 Morgan Aero 8 GTN
- 2002–2004 BMW X5 (E53) X5 4.6is
BMW ZF (ZF Friedrichshafen S6-53) GS653DZ / GS6-53DZ - THGD code HGD
- Bell housing : 1067 401 060 / 1067401060
- Sticker number : 1067 010 003 / 23.00-7522205 / 23 00 7522205 / 23007522205
- BMW 5' E60 525D 530D M57n ZF GS6-53DZ - THGD / BMW OE 23 00 7526820 / 23 00 7526820
- BMW 5' E60 LCI 525D 530D M57n2 ZF GS6-53DZ - THGD / BMW OE 23 00 7526820 / 23 00 7526820
- BMW 5' E61 525D 530D M57n ZF GS6-53DZ - THGD / BMW OE 23 00 7526820 / 23 00 7526820
- BMW 5' E61 LCI 525D 530D M57n2 ZF GS6-53DZ - THGD / BMW OE 23 00 7526820 / 23 00 7526820
BMW ZF (ZF Friedrichshafen S6-53) GS653DZ / GS6-53DZ - TJGA code JGA
- Bell housing: 1067 401 060 / 1067401060
- Sticker number: 1067 010 013 / 23.00-7 565 218 / 23 00 7565218 / 23007565218
- BMW 5' E60 525D 530D M57n ZF GS6-53DZ - TJGA / BMW OE 23 00 7571426 / 23 00 7 571 426
- BMW 5' E60 LCI 525D 530D M57n2 ZF GS6-53DZ - TJGA / BMW OE 23 00 7571426 / 23 00 7 571 426
- BMW 5' E61 525D 530D M57n ZF GS6-53DZ - TJGA / BMW OE 23 00 7571426 / 23 00 7 571 426
- BMW 5' E61 LCI 525D 530D M57n2 ZF GS6-53DZ - TJGA / BMW OE 23 00 7571426 / 23 00 7 571 426










